首 页
产品展示
质量认证
销售网络
联系我们
GDH®-KT2
GDH®-KT3
GDH®-KT4
GDH®-KT5
GDH®-KT6
GDH®-CX3000
GDH®-K20
GDH®-20、24、10
GDH®-30(34)

GDH®-30(34) 系列数显智能电动机保护器

3、在电路中的安装方法及参考电路

① 图五、图六为 GDH®-301P 在电路中的接线方法。


图五  GDH®-301P 二单元互感器接线图(仅供参考)


图六 GDH®-301P 三单元互感器接线图(仅供参考)

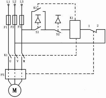
②图七为 GDH®-34 在电路中的接线方法, 该产品为板式安装,不需外接电流互感器,电流回路一次穿芯即可。


图七  GDH®-34 接线示意图(仅供参考)

鲁ICP备18051629号-1